終于把施工現場中二級漏保、三級配電說清楚了 [14P]
- 2016-12-23 20:28:00
- sonz 原創
- 9978
三級配電二級漏保要求,配電箱應作分級設置,形成三級配電。既有利于現場電氣系統的維護,又能充分保證施工安全,同時也是現場標準化管理、文明施工的一種體現。
下面為大家介紹一下三級配電二級漏保主要內容和設置方法以及注意事項:
★ 施工現場配電系統應采用三級配電、二級漏電保護系統;
★ 用電設備必須有各自專用的開關箱;
★ 漏電保護器參數應匹配并靈敏可靠;
★ 總配電箱與開關箱應安裝漏電保護器分配電箱與開關箱、開關箱與用電設備的距離應符合規范要求;

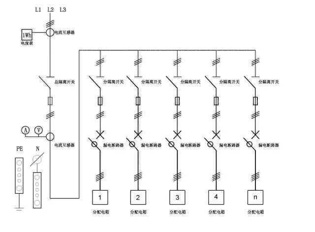
三級配電、二級漏電保護系統參考圖例
★ 箱體結構、箱內電器設置及使用應符合規范要求。
★ 配電箱、開關箱電器可靠、完好,進出線整齊。



設置要求:
1、總配電箱以下可設若干分配電箱,分配電箱以下可設若干開關箱;總配電箱應設在靠近電源的區域,分配電箱應設在用電設備或負荷相對集中的區域,分配電箱與開關箱的距離不得超過30m,開關箱與其控制的固定式用電設備的水平距離不宜超過3m。(JGJ46-2005第8.1.2條)
2、開關箱中漏電保護器的額定漏電動作電流不應大于30mA,額定漏電動作時間不應大于0.1s;使用于潮濕和有腐蝕介質場所的漏電保護器應采用防濺型產品,其額定漏電動作電流不應大于15mA,額定漏電動作時間不應大于0.1s。(JGJ46-2005第8.2.10條)
3、總配電箱中漏電保護器的額定漏電動作電流應大于30mA,額定漏電動作時間應大于0.1s,但其額定漏電動作電流與額定漏電動作時間的乘積不應大于30mA?s。(JGJ46-20058.2.11)
★ 箱體結構、箱內電器設置及使用應符合規范要求。
★ 配電箱、開關箱電器可靠、完好,進出線整齊。





開關箱示意圖
設置要求:
1、配電箱、開關箱應采用冷軋鋼板或阻燃絕緣材料制作,鋼板厚度應為1.2~2.0mm,其中開關箱箱體鋼板厚度不得小于1.2mm,配電箱箱體鋼板厚度不得小于1.5mm,箱體表面應做防腐處理。(JGJ46-2005第8.1.7條)
2、配電箱、開關箱的進、出線口應配置固定線卡,進出線應加絕緣護套并成束卡固在箱體上,不得與箱體直接接觸。移動式配電箱、開關箱的進、出線應采用橡皮護套絕緣電纜,不得有接頭(JGJ46-2005第8.1.16條)
3、配電箱、開關箱外形結構應能防雨、防塵。(JGJ46-2005第8.1.17條)
4、配電箱、開關箱內的電器必須可靠、完好,嚴禁使用破損不合格的電器。(JGJ46-2005第8.2.1條)
5、總配電箱的電器具備電源隔離,正常接通與分斷電路,以及短路、過載、漏電保護功能。(JGJ46-2005第8.2.2條)
6、當總路設置總漏電保護器時,還應裝設總隔離開關、分路隔離開關以及總斷路器、分路斷路器或總熔斷器、分路熔斷器。當所設總漏電保護器同時具備短路過載漏電保護功能的漏電斷路器時,可不設總斷路器或總熔斷器。(JGJ46-2005第8.2.2條)
7、當各分路設置分路漏電保護器時,還應裝設總隔離開關、分路隔離開關以及總斷路器、分路斷路器或總熔斷器、分路熔斷器。當分路所設漏電保護器是同時具備短路、過載、漏電保護功能的漏電斷路器時,可不設分路斷路器或分路熔斷器。(JGJ46-2005第8.2.2條)
8、熔斷器應選用具有可靠滅弧分斷功能的產品。(JGJ46-2005第8.2.2條)
9、總開關電器的額定值、動作整定值應與分路開關電器的額定值、動作整定值相適應。(JGJ46-2005第8.2.2條)
10、總配電箱應裝設電壓表、總電流表、電度表及其他需要的儀表。裝設電流互感器時,其二次回路必須與保護零線有一個連接點,且嚴禁斷開電路。(JGJ46-2005第8.2.3條)
11、分配電箱應裝設總隔離開關、分路隔離開關以及總斷路器、分路斷路器或總熔斷器、分路熔斷器。其設置和選擇應符合前面總配電箱的要求(JGJ46-2005第8.2.4條)
12、開關箱必須裝設隔離開關、斷路器或熔斷器,以及漏電保護器。(JGJ46-2005第8.2.5條)
13、配電箱、開關箱的電源進線端嚴禁采用插頭和插座活動連接。(JGJ46-2005第8.2.15條)
14、對配電箱,開關箱進行定期檢查、維修時,必須將其前一級相應的電源隔離開關分閘斷電,并懸掛“禁止合閘、有人工作”停電標志牌,嚴禁帶電作業。(JGJ46-2005第8.3.4條)

隔離開關箱設置要求:
隔離開關應設置于電源進線端,應采用分斷時具有可見分斷點,并能同時斷開電源所有極的隔離電器。如采用分斷時具有可見分斷點的斷路器,可不另設隔離開關。(JGJ46-2005第8.2.2條)
★ 配電箱必須分設工作零線零線端子板的設置及連接應符合規范要求。
設置要求:
配電箱的電器安裝板上必須設N線端子和PE線端子板。N線端子板必須與金屬電器安裝板絕緣;PE線端子板必須與金屬電器安裝板做電器連接。
進出線中的N線必須通過N線端子板連接;PE線必須通過PE線端子板連接。(JGJ46-2005第8.1.11條)
★ 箱體安裝位置、高度及周邊通道應符合規范要求。

設置要求:
1、配電箱、開關箱應裝設在干燥通風及常溫場所。(JGJ46-2005第8.1.5條)
2、配電箱、開關箱周圍應有足夠2人同時工作的空間和通道,不得堆放任何妨礙操作、維修的物品;不得有灌木雜草。(JGJ46-2005第8.1.6條)
3、配電箱、開關箱應裝設端正、牢固;固定式配電箱、開關箱的中心點與地面的垂直距離應為1.4~1.6m;移動式配電箱、開關箱應裝設在堅固的支架上,其中心點與地面的垂直距離宜為0.8~1.6m。(JGJ46-2005第8.1.8條)
★ 箱體應設置系統接線圖和分路標記;
★ 箱體應設有門、鎖及防雨措施。

設置要求:
1、配電箱、開關箱應有名稱、用途、分路標記及系統接線圖。(JGJ46-2005第8.3.1條)
2、配電箱、開關箱箱門應配鎖,并應由專人負責。(JGJ46-2005第8.3.2)
| 聯系人: | 張小姐 |
|---|---|
| 電話: | 0731-84010225 |
| 傳真: | 0731-84011784 |
| Email: | hnsonz@sina.cn |
| 網址: | http://www.m.enduc.com |
| 地址: | 長沙縣泉塘街道新長海廣場寫字樓A座2501室 |
掃碼關注“星澤機電”微信公眾號
搜索微信公眾號“星澤機電”
或微信號“sonz168”也可關注